Home Journals Progress in Geophysics
Progress in Geophysics

Abbreviation (ISO4): Prog Geophy      Editor in chief:

About  /  Aim & scope  /  Editorial board  /  Indexed  /  Contact  / 

Automatic pickup algorithm of shale bedding based on derivative characteristics of micro resistivity curve

  • ChaoWei DUAN , 1 ,
  • Yun RUI 2 ,
  • PuLi WEI , 1, * ,
  • FengSheng ZHANG 1 ,
  • YaBin YAO 1 ,
  • YangZhi SHI 2 ,
  • Lei WANG 3
Expand
  • 1 China National Logging Corporation, Geological Research Institute, Xi'an 710200, China
  • 2 PetroChina Zhejiang Oilfield Company, Exploration and Development Integration Centre, Hangzhou 310023, China
  • 3 China National Logging Corporation, Tuha Branch, Turpan 838000, China

Received date: 2023-07-19

  Online published: 2024-09-29

Copyright

Copyright ©2024 Progress in Geophysics. All rights reserved.

Abstract

Bedding is one of the most typical and important characteristics of clastic rocks, and its development density (bedding density) reflects the changes of sedimentary environment and sediment to a certain extent. Aiming at the identification of shale bedding using micro resistivity scanning logging, first, the logging response of the bedding is extracted by trend filtering. Secondly, the quantitative relationship between the bedding interface and the first and second derivative of the logging curve is established. In other words, the bedding interface usually corresponds to the "half amplitude point" of the logging curve, which is approximately represented by the extreme point of the first derivative or the zero point of the second derivative in mathematics. Then the zero search algorithm is used to automatically pick up the bedding interface and calculate the bedding density. The method in this paper is applied to the bedding evaluation of the shale gas reservoir in Longmaxi formation, south Sichuan, and the calculated results are consistent with the bedding fractures observed in the core. Meanwhile, the comparison with the organic carbon content shows that the bedding density of the "sweet spot" segment with better source rock quality shows an obvious decreasing trend, indicating the effectiveness and feasibility of the bedding parameter evaluation in the shale gas reservoir evaluation.

Cite this article

ChaoWei DUAN , Yun RUI , PuLi WEI , FengSheng ZHANG , YaBin YAO , YangZhi SHI , Lei WANG . Automatic pickup algorithm of shale bedding based on derivative characteristics of micro resistivity curve[J]. Progress in Geophysics, 2024 , 39(4) : 1483 -1492 . DOI: 10.6038/pg2024HH0204

0 引言

层理是岩石性质沿垂向变化的一种层状构造,是碎屑岩最典型和最重要的特征之一,通常定义组成层理的最基本单位为纹层,纹层之内没有任何肉眼可见的层(朱筱敏,2008).在页岩储层评价领域,已经证实储层的弹性和电性存在非均质性和各向异性(Bachrach,2011夏一军等,2015),大量的岩石物理实验表明页岩层理效应是影响岩石声学、力学和电学性质的主要因素之一(杨林德等,2007邓智等,2016吴涛等,2016蒋长宝等,2017毕井龙等,2018徐烽淋等,2019Suo et al., 2022任建飞等,2023),同时储层参数(如TOC、孔隙度和脆性等)随层理类型和结构不同而具有差异化特征(崔兆帮,2017林长木等,2019曾健新等,2019Zhao et al., 2020施振生等,2020胡月等,2021马霄一等,2021谭佳静等,2021).一方面,层理反映的是一种沉积环境变化,如林长木等(2019)基于岩心观察、薄片鉴定、电镜扫描和全岩X衍射等资料将川南五峰-龙马溪组页岩划分为3种纹层类型:富硅质纹层、富钙质纹层和富黏土纹层;另一方面,页岩在压实和成岩过程中层理结构发生变化,储层物性和脆性等随之变化(Bachrach,2011崔兆帮,2017),并且不同层理类型的页岩天然裂缝发育程度也存在差异(林长木等,2019王玉杰等,2020).
地球物理成像测井提供了页岩层理研究的另一种途径(王珺等,2005刘振武等,2011张明和肖小玲,2019侯振学等,2020张文艺等,2024).微电阻率扫描成像(即电成像)采用众多的高分辨率测量电极产生井壁电成像(陈爱新,2002),以斯伦贝谢FMI(Formation MicroScanner Image)仪器为例,共有4个推靠臂,每个臂上有两个极板(主极板、副极板),每个极板有24个纽扣电极,4个臂上共有192个电极,每个电极都是由直径为0.4064 cm的金属电极和直径为6.096 cm的绝缘环组成,绝缘环能够增强对电流的聚焦能力,从而可以得到0.508 cm的高分辨率.电成像一般以井壁图像展开平面图的形式显示(齐瑞燕等,2021),可以与岩心进行匹配,此外还具有连续性、方向性和低成本的优势.层理在电成像中具有明暗相间的条纹特征,实际反映了层理的电阻率变化,当井筒垂直层理面测量时,层理在图像中呈现近水平状;当井筒与层理面的夹角不是直角时,则表现为正弦曲线形态.层理拾取实际上就是对层理面进行识别,从图像处理角度来说,Hough变换、曲线检测(杨玉卿等,2017王磊等,2021)或纹理特征提取(张翔等,2014)等方法需要试验不同的界面路径,遍历尽可能多的像素点,然后根据沿不同路径像素累加值的大小来确定界面位置;从数据处理角度来说,界面处往往是各种物理性质变化最剧烈的点(王研博,2018),如测井分层中通常将曲线“半幅点”作为层界面,因此可以利用电成像曲线导数特征变化来进行层理界面拾取.在页岩地层中,层理产状通常是稳定的,在不考虑裂缝等的影响时,电成像众多电极的测量响应具有强相关性,因此利用少量的电极曲线进行层理拾取是可行和有效的.文中正是基于电成像曲线导数特征进行页岩层理拾取研究,相比于传统的图像处理技术不仅提高了计算效率,同时因为基于原始电极曲线而完全继承了电成像测井的分辨精度.

1 层理自动拾取方法原理

电成像测井仪器是通过推靠臂极板贴井壁进行测量的(通常3或4个主极板,各自对应有折页极板,或副极板),每个极板上都包含多个纽扣电极,每个纽扣电极均会采集到一条电导率曲线.目前电成像的分辨率为毫米级,基本上可以满足分辨页岩层理的目的,为了叙述方便,下文以电成像一个电极的测量电导率曲线处理为例进行介绍.

1.1 层理电成像测井响应提取

假设电成像测井响应为S(z),当忽略采集干扰信号等的影响时,信号S(z)主要包含了两种响应:低频的厚层或围岩响应T(z)和高频的层理响应f(z),即:
两种信号在频率上具有明显的差异,通过趋势滤波就可以分离,即信号T(z)可以看作信号S(z)的趋势.为了求取信号T(z),采用三点多次平均算子:
其中,Si(n)是第i个深度点处经过n次平均(或平滑)以后的响应值,当控制一定的平滑次数,即可近似求取低频的厚层或围岩响应T(z),从而达到分离层理响应f(z)的目的.图 1为测井响应和趋势响应(或厚层响应)的关系示意图,层理响应表示为二者的差值.
图1 薄厚层测井响应示意图

Fig 1 Schematic diagram of logging response for thin and thick layers

1.2 层理界面自动拾取算法

界面位置通常对应电性的突变点,即通常所说的半幅点,在数学上则描述为曲线拐点——一阶导数极值点或二阶导数零点(如图 2所示).拾取层理界面实际上就是搜索电成像曲线二阶导数的零点,主要通过两步来实现:二阶导数计算和零值检索.
图2 地层界面与测井曲线对应关系示意图

Fig 2 Schematic diagram of the correspondence between the stratigraphic interface and the logging curve

为了减少导数计算的误差,文中采用五点导数算子进行一阶导数和二阶导数的计算(王燕,2011):
其中,figihi分别为第i个深度点处的层理响应,及其一阶和二阶导数.
零点搜索算法则采用基本的判定条件:
即零点位于第i个深度采样点和第i+1个深度采样点之间.按照判定条件循环完整个目标井段即可得到电成像分辨率范围内的所有层理界面.层理密度则表示为单位井深内的层理个数,假设1 m井深内共拾取到N条层理界面,则层理密度为N m-1.

1.3 层理密度算法流程

图 3所示为单个电极曲线的层理密度算法流程,除提取层理响应外还可以分离厚层响应、裂缝和黄铁矿条带等响应.对于沉积环境较为稳定的海相页岩地层,电成像众多电极的层理响应具有强相关性,因此对少量电极曲线的处理就可以计算整个地层的层理密度和层理产状.
图3 电成像页岩层理密度计算流程图

Fig 3 Flow chart for calculating the bedding density in micro resistivity scanning logging

2 实际资料处理验证

以川南志留系底部和奥陶系顶部页岩储层为例,发育在Y区块的储层埋深变化较大(500~5000 m),而发育在D区块的深层页岩气埋深一般在3500 m以上.针对不同区块井的电成像数据进行层理密度计算和对比,说明本文方法的有效性和准确性.

2.1 岩心CT观察验证

Y104井是Y区块的一口浅层页岩气井,该井在五峰-龙马溪组取心并进行了全直径岩心双能CT扫描分析(密度越大的矿物,图像上显示为最白色,孔缝显示为最黑色),电成像测量采用斯伦贝谢公司的FMI仪器,8个极板共192条测量电导率曲线.由于井筒与地层几乎垂直,层理在电成像上近似水平状,按照深度将192条曲线叠加降噪后得到输入的电导率曲线.
图 4所示为Y104井龙马溪组一段4号小层(1175.22~1176.22 m)层理计算结果与岩心CT对比图,黄铁矿条带在CT图上表现为最白色,同时可见清晰的岩心层理缝,其实对应了大部分的页岩层理.通过电成像自动拾取的层理与岩心CT观察的层理缝进行对比,每一条层理缝基本都对应有电成像层理,且后者具有更丰富的信息.
图4 Y104井龙马溪组一段(1175.22~1176.22 m)层理计算结果与岩心CT对比图

Fig 4 Comparison of bedding calculation results and core CT of Section 1 (1175.22~1176.22 m) of Longmaxi formation in well Y104

图 5所示为Y104井龙马溪组一段3号小层(1191.30~1192.30 m)层理计算结果与岩心CT对比图,同样岩心层理缝与计算层理具有对应关系,此外电成像层理提取算法还能反映黄铁矿条带发育.在1191.85~1191.90 m范围内,岩心CT上可见几条黄铁矿微细条带发育,电成像图像反映不明显,但通过本文算法的计算结果可以看到黄铁矿微细条带发育一定程度上导致拾取层理条数增多.
图5 Y104井龙马溪组一段(1191.30~1192.30 m)层理计算结果与岩心CT对比图

Fig 5 Comparison between the bedding calculation results and core CT of Section 1 (1191.30~1192.30 m) of Longmaxi formation in well Y104

图 6所示为志留系和奥陶系交界位置(1201.30~1202.30 m)层理计算结果与岩心CT对比图,岩心CT和电成像均可见观音桥组介壳灰岩,其层理密度呈现降低趋势.此外层理密度在层理缝或岩心易碎裂处显示低值.
图6 Y104井志留系与奥陶系交界位置(1201.30~1202.30 m)层理计算结果与岩心CT对比图

Fig 6 Comparison of bedding calculation results and core CT at the junction of Silurian and Ordovician in well Y104 (1201.30~1202.30 m)

2.2 有机碳含量与层理密度

有机碳含量是页岩储层烃源岩品质评价的一项重要参数.以D区块的一口深层页岩气井D2井为例,根据电成像不同方位极板的测量数据分别计算层理密度,图 7展示了不同测量极板的计算结果(BDi为第i个主极板计算的层理密度,FMI仪器共有4个主极板)和有机碳含量的对比.可以看到层理密度和有机碳含量具有较好的对应关系,五峰组-龙马溪组一段底部的有机碳含量明显增高,同时层理密度呈现相对小值,说明二者具有负相关性,而这段也是川南海相页岩气勘探的主要“甜点”段.推测一方面有机质的增多会使得层理欠发育,另一方面“甜点”段层理缝的发育会导致层理密度计算结果偏低.
图7 D2井龙马溪组一段底部电成像不同方位极板计算层理密度与有机碳含量对比图

Fig 7 Comparison of calculated bedding density and organic carbon content of electrode plates at different orientations using FMI at the bottom of the Longmaxi formation in well D2

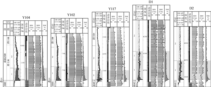
图 8为Y区块与D区块页岩储层层理密度的连井对比图,同样有机碳含量与层理密度具有一定的负相关性,尽管储层埋深不同,但“甜点”段的层理密度均表现明显的降低趋势,也说明通过电成像层理密度的定量计算能够指示“甜点”段的发育情况.
图8 Y区块与D区块五峰组-龙马溪组页岩储层层理密度连井对比图

BD为层理密度,1和3为沿井轴对称的两个测量极板序号.

Fig 8 Comparison of bedding density of shale reservoirs in the Wufeng formation and Longmaxi formation of Y block and D block by well connection

BD is the bedding density, and 1 and 3 are the two measurement plate numbers symmetrically along the well axis.

3 讨论

尽管文中实际资料处理只限于页岩地层,但该方法却适用于所有层理发育的碎屑岩地层,以及不同的层理类型,基本做法仍是进行单电极测量曲线的层理提取,然后对不同方位测量曲线的计算结果进行综合评价.不同地层中层理的地质意义和储集意义存在差异,通过页岩储层有机碳含量和层理密度的对比发现,烃源岩品质高的“甜点”段层理密度呈现明显的降低趋势,但背后的地质基础和储层参数特征仍需要更多的实验和理论研究.

4 结论

海相页岩地层沉积环境相对稳定,多发育水平层理,因此利用电成像少数电极的测量数据进行评价是合理和可信的,相比于基于图像处理的提取技术,计算效率明显提高.文中基于电极曲线的导数特征,利用曲线“半幅点”与层理界面的对应关系实现了一种层理自动拾取算法,通过岩心CT对比及储层“甜点”段验证说明了本文方法的有效性和可行性.

感谢审稿专家提出的修改意见和编辑部的大力支持!

Bachrach R . Elastic and resistivity anisotropy of shale during compaction and diagenesis: Joint effective medium modeling and field observations. Geophysics, 2011, 76(6): E175 E186

Bi J L , Liang W G , Geng Y D . Experimental study on the effect of temperature and bedding planes on the fracture toughness of oil shale. Chinese Journal of Underground Space and Engineering, 2018, 14(4): 1007-1015

Chen A X . Simulated imaging of complex strata. Oil Geophysical Prospecting, 2002, 37(3): 216-218

DOI

Deng Z , Cheng L J , Pan L H . Effect of bedding angle on shale triaxial stress, testing and velocity of P-wave and S-wave. Journal of Northeast Petroleum University, 2016, 40(1): 33-39 33-39, 88

Hou Z X , Yu X X , Li D X . Application of new processing technology of electrical imaging logging in reservoir evaluation. Progress in Geophysics, 2020, 35(2): 573-578

DOI

Hu Y , Chen L , Zhou H . Lamina characteristics of marine shale and its influence on shale reservoir development: a case study of Longmaxi formation, Changning area, South Sichuan basin. Fault-Block Oil & Gas Field, 2021, 28(2): 145-150

Jiang C B , Chen Y F , Yin G Z . Experimental study on the effect of intermediate principal stress and bedding direction on mechanical properties and permeability of shale. Chinese Journal of Rock Mechanics and Engineering, 2017, 36(7): 1570-1578

Lin C M , Wang H Y , Liang P P . The characteristics of Laminae and its reservoir significance in black shale: taking the Wufeng-Longmaxi formations in the Changning-Shuanghe section as an example. Journal of Stratigraphy, 2019, 43(2): 133-140

Liu Z W , Sa L M , Yang X . Needs of geophysical technologies for shale gas exploration. Oil Geophysical Prospecting, 2011, 46(5): 810-818

Ma X Y , Li C C , Bai J . Analysis of physical characteristics of shale rock based on ultrasonic testing. Oil Geophysical Prospecting, 2021, 56(4): 801-808

Qi R Y , Wu J B , Shi L . Application of iterative threshold segmentation algorithm in electrical imaging logging. Electronic Design Engineering, 2021, 29(23): 11-15

Ren J F , Liu X J , Xiong J . Experimental study on acoustic propagation characteristics of stratified shale by water-rock action. Progress in Geophysics, 2023, 38(5): 2094-2104

DOI

Shi Z S , Dong D Z , Wang H Y . Reservoir characteristics and genetic mechanisms of gas-bearing shales with different laminae and laminae combinations: a case study of member 1 of the lower Silurian Longmaxi shale in Sichuan basin, SW China. Petroleum Exploration and Development, 2020, 47(4): 829-840

Suo Y , Zhang J , Feng F P . Study on the evolution Law of Shale Hydraulic Fracture Interacting with Bedding Layer under Pulsation Loading. Lithosphere, 2022, 2021(special 4): 2059066

DOI

Tan J J , Wu K J , Li Y H . Application of logging prediction TOC method in shale reservoir evaluation. Progress in Geophysics, 2021, 36(1): 258-266

DOI

Wang J , Yang C C , Xu D H . Application and prospect of the formation microresistivity image well logging. Progress in Geophysics, 2005, 20(2): 357-364

DOI

Wang L , Shen J S , Heng H L . Automatic fractured-vuggy identification and extraction from electric imaging logging data based on an incomplete path opening operation and a sinusoidal database. Petroleum Science Bulletin, 2021, 6(3): 380-395

Wang Y . The extrapolation method of five-point numerical formulas for one-order derivative. Mathematics in Practice and Theory, 2011, 41(6): 163-167

Wang Y J , Zhao D F , Lu Q R . Impact of laminae and interlayer sedimentary structure on the storage and brittleness of shale reservoirs——taking Longmaxi Formation Shale in Sichuan Basin as an example. Unconventional Oil & Gas, 2020, 7(6): 33-40

Wu T , Liu X J , Yuan W . Study on acoustic characteristics of Longmaxi formation shale in southeastern Sichuan. West-China Exploration Engineering, 2016, 28(2): 72-75

Xia Y J , Hu X Y , Wei S J . Applications of geophysics in shale gas exploration and exploitation. Progress in Geophysics, 2015, 30(4): 1798-1803

DOI

Xu F L , Chen Q , Zhu H L . Response analysis of shale bedding structure to ultrasonic characteristics and its application. Petroleum Exploration and Development, 2019, 46(1): 79-88

Yang L D , Yan X B , Liu C X . Experimental study on relationship among permeability, strain and bedding of soft rock. Chinese Journal of Rock Mechanics and Engineering, 2007, 26(3): 473-477

Yang Y Q , Cui W P , Zhang X . A new method to detect formation occurrence from image recognition of electric imaging logging. Geophysical Prospecting for Petroleum, 2017, 56(2): 302-308

Zeng J X , Liu J X , Zhang Y Z . Influence of bedding effect on tensile strength of black shale and its energy analysis. High Speed Railway Technology, 2019, 10(2): 38-43 38-43, 59

Zhang M , Xiao X L . Extraction and application of the shape features of electrical image logging data. Journal of Yangtze University (Natural Science Edition), 2019, 16(2): 27-30

Zhang W Y , Zhang C , Sun K . Review of research progress on methods to improve the longitudinal resolution of thin reservoir logging curves. Progress in Geophysics, 2024, 39(1): 291-304

DOI

Zhang X , Wang D L , Song C A . Analysis and application of lamination features in electrical imaging logging. Journal of Oil and Gas Technology (Journal of Jianghan Petroleum Institute), 2014, 36(2): 73-77

Zhao L X , Wang Y , Liu X W . Depositional impact on the elastic characteristics of the organic shale reservoir and its seismic application: a case study of the Longmaxi-Wufeng shale in the Fuling gas field, Sichuan Basin. Geophysics, 2020, 85(2): B23-B33

Zhu X M . . Sedimentary Petrology 4th ed Beijing Petroleum Industry Press 2008 81-90

井龙 , 卫国 , 毅德 . 温度和层理对油页岩断裂韧度影响的试验研究. 地下空间与工程学报, 2018, 14(4): 1007-1015

爱新 . 复杂地层模拟. 石油地球物理勘探, 2002, 37(3): 216-218

, 礼军 , 林华 . 层理倾角对页岩三轴应力应变测试和纵横波速度的影响. 东北石油大学学报, 2016, 40(1): 33-39 33-39, 88

振学 , 雪娴 , 东旭 . 电成像测井处理新技术在储层评价方面的应用. 地球物理学进展, 2020, 35(2): 573-578

DOI

, , . 海相页岩纹层特征及其对页岩储层发育的影响——以川南长宁地区龙马溪组为例. 断块油气田, 2021, 28(2): 145-150

长宝 , 昱霏 , 光志 . 中间主应力与层理方向对页岩力学和渗透特性影响的试验研究. 岩石力学与工程学报, 2017, 36(7): 1570-1578

长木 , 红岩 , 萍萍 . 川南地区五峰组-龙马溪组黑色页岩纹层特征及其储集意义. 地层学杂志, 2019, 43(2): 133-140

振武 , 利明 , . 页岩气勘探开发对地球物理技术的需求. 石油地球物理勘探, 2011, 46(5): 810-818

霄一 , 呈呈 , . 基于超声测试的页岩岩石物理特征分析. 石油地球物理勘探, 2021, 56(4): 801-808

瑞燕 , 进波 , . 迭代阈值分割算法在电成像测井中的应用. 电子设计工程, 2021, 29(23): 11-15

建飞 , 向君 , . 水岩作用对层理性页岩声波传播特性实验研究. 地球物理学进展, 2023, 38(5): 2094-2104

DOI

振生 , 大忠 , 红岩 . 含气页岩不同纹层及组合储集层特征差异性及其成因——以四川盆地下志留统龙马溪组一段典型井为例. 石油勘探与开发, 2020, 47(4): 829-840

佳静 , 康军 , 昱翰 . 测井预测TOC方法在页岩储层评价中的运用. 地球物理学进展, 2021, 36(1): 258-266

DOI

, 长春 , 大华 . 微电阻率扫描成像测井方法应用及发展前景. 地球物理学进展, 2005, 20(2): 357-364

DOI

, 金松 , 海亮 . 基于路径形态学和正弦函数族匹配的电成像测井缝洞自动识别与分离方法研究. 石油科学通报, 2021, 6(3): 380-395

. 一阶导数的五点数值微分公式及外推算法. 数学的实践与认识, 2011, 41(6): 163-167

玉杰 , 迪斐 , 琪荣 . 纹层、夹层沉积构造对海相页岩储集空间和储层脆性的影响——以四川盆地龙马溪组页岩为例. 非常规油气, 2020, 7(6): 33-40

, 向君 , . 川东南地区龙马溪组页岩声波特性研究. 西部探矿工程, 2016, 28(2): 72-75

一军 , 向阳 , 水健 . 页岩气勘探开发中地球物理技术的应用. 地球物理学进展, 2015, 30(4): 1798-1803

DOI

烽淋 , , 洪林 . 页岩层理结构对超声波特性响应分析及应用. 石油勘探与开发, 2019, 46(1): 79-88

林德 , 小波 , 成学 . 软岩渗透性、应变及层理关系的试验研究. 岩石力学与工程学报, 2007, 26(3): 473-477

玉卿 , 维平 , . 基于电成像测井图像识别求取地层产状的新方法. 石油物探, 2017, 56(2): 302-308

健新 , 俊新 , 永泽 . 层理效应对黑色页岩抗拉强度影响及其能量分析. 高速铁路技术, 2019, 10(2): 38-43 38-43, 59

, 小玲 . 基于电成像测井的图像形状特征提取与应用. 长江大学学报(自然科学版), 2019, 16(2): 27-30

文艺 , , . 提高薄储层测井曲线纵向分辨率方法研究进展综述. 地球物理学进展, 2024, 39(1): 291-304

DOI

, 弟林 , 纯安 . 电成像测井纹理特征分析及应用. 石油天然气学报(江汉石油学院学报), 2014, 36(2): 73-77

筱敏 . . 沉积岩石学 4版 北京 石油工业出版社 2008 81-90

Outlines

/