Home Journals Progress in Geophysics
Progress in Geophysics

Abbreviation (ISO4): Prog Geophy      Editor in chief:

About  /  Aim & scope  /  Editorial board  /  Indexed  /  Contact  / 

Research on a rapid measurement device for electrical spectrum parameters of formation outcrop

  • Hui CHENG , 1 ,
  • Yan LIU 1 ,
  • ShaoQuan ZHAN , 2, * ,
  • XiuYing LIAO 1 ,
  • GuoHong FU 1
Expand
  • 1 Hunan University of Science and Technology, Xiangtan 411201, China
  • 2 Jiangsu Provincial Geological Bureau, Zhenjiang 212005, China

Received date: 2024-05-22

  Online published: 2025-05-09

Copyright

Copyright ©2025 Progress in Geophysics. All rights reserved.

Abstract

A spectrum observation device has been designed for measuring the electrical spectrum parameters of outdoor geological outcrops. The signal sending end adopts multi stage current expansion output or voltage power amplification output to increase the load capacity of the sending signal; On the basis of common clock synchronization, the receiver and transmitter improve the anti-interference ability of the device through coherent detection, and use weak signal detection technology to design preamplifiers, signal conditioning and other circuits to improve the signal-to-noise ratio of the channel. By calibrating the observation device using a standard resistance capacitance network model and conducting on-site experiments, spectral observation of underground conductive media was achieved. The results show that the device has signal transmission mode and multi gear switching function, automatic frequency conversion measurement, simple operation, and the observation results play a certain supporting role in selecting exploration methods, establishing geophysical models, and geological interpretation.

Cite this article

Hui CHENG , Yan LIU , ShaoQuan ZHAN , XiuYing LIAO , GuoHong FU . Research on a rapid measurement device for electrical spectrum parameters of formation outcrop[J]. Progress in Geophysics, 2025 , 40(2) : 765 -773 . DOI: 10.6038/pg2025II0038

0 引言

根据地质任务要求,研究及工作人员对区域内的地层/岩体露头以四极装置获取相应的电性参数;同时,按《岩石物理频谱激电测试技术规程》(SY/T 7485—2020)要求,工作中需对岩石样品在0.01~1000 Hz频段进行频谱实验,用来支持地质-地球物理模型的建立,支撑观测数据的认识和相应的地质解释,是地球物理实践工作中一个不可或缺的重要数据来源.
为了获取地层/岩体的频谱参数,Pelton(1977)受当时的观测条件限制,利用不同的观测装置完成了一定频带宽度的频谱测量;张赛珍等(1994)采用BT6超低频相频特性测试仪和英国Solartron公司生产的1250频谱分析仪进行了一定量的岩样标本频谱观测实验;郑和华等(1996)用计算机与HP4194A阻抗分析仪组成岩样复电阻率测量系统,在实验室内进行了岩样标本的一定带宽频谱观测;童茂松等(2005)以HP4194A为核心将岩心夹持器、油水驱替系统、温度控制系统、饱和度计量系统以及控制系统等组成复电阻率测量系统,在100 Hz~10 kHz频段对泥质砂岩复电阻率进行实验研究.何兰芳(2014)在罗布莎超基性岩与上扬子黑色页岩的岩石电磁学研究中,采用英国Solarton公司生产的1260频谱分析仪、SCIP岩芯激电测试仪、LCR自动电桥等在0.001~10 MHz频段范围内进行岩芯样品的频谱分析.黄理善等(2014)使用GDP32多功能电法仪的岩心测试设备、国产DJS8直流激电仪、电压表和电流表等仪器仪表,获得人工合成岩、矿石标本的复电阻率振幅频谱、相位频谱、相对极化率和直流电阻率.近年来,针对岩矿石频谱参数测量而研制的仪器有中南大学研制的CannySIP测量系统(淳少恒等,2024)、中国石油大学研制的混频信号岩芯电频谱测量系统(侯亮,2018)等.以上的岩样频谱参数观测方案均较好的达到了提供基础支撑数据的目的,但是针对地层/岩体露头原位频谱参数测量的观测方案与观测装置鲜有报导,大多是利用直流电阻率仪(郭延明,2012)、双频激电仪(何继善,2006)进行电阻率与极化率的测量.
本文按工作实际需要提出了一种针对地层露头原位频谱参数观测方案与测量装置,发送端以DDS(Direct Digital Synthesis, 直接数字频率合成)作为信号源,通过MCU与DDS芯片间SPI通讯在2-7~210 Hz区间内,依次产生以2为底、-7~10为指数的共18个频点的正弦信号,形成电流/电压2种输出模式;接收端采用微弱信号检测技术设计精密前置放大、信号调理以及ADC采集电路提高信噪比;发—收间以共时钟同步方式采用相干检测法提高观测精度.为地球物理勘探工作提供电阻率以及相应频谱特征参数.

1 设计方案

观测装置以MCU为核心控制器,硬件电路主要有DDS、放大、带通滤波、电压/电流输出、工频陷波/直通等.系统整体设计框图如图 1所示.其中接收端电压信号与发送端电流信号同步采样,发送端输出正弦波电流信号,接收端与发送端共时钟严格同步的前提下,实现对接收信号精密相干检波,大幅压制发射频率以外的其他频率成分,从而提高装置的抗干扰能力.
图1 装置总体设计框图

Fig 1 Overall design diagram of the device

1.1 DDS电路设计

DDS技术可以实现多种波形的产生,与传统的频率合成技术相比,DDS有频率切换时间短、频率分辨率高、产生频率范围宽等诸多优点(黄浩然等,2022).设计中使用DDS芯片AD9833作为信号源,MCU通过SPI接口控制AD9833产生频率可调的正弦信号.图 2为DDS电路原理图,图 3为AD9833产生的256 Hz信号经过放大之后的波形图和频谱图.
图2 DDS电路原理图

Fig 2 DDS circuit schematic

图3 DDS输出信号波形图(a)及频谱图(b)

Fig 3 DDS output signal waveform (a) and spectrum (b)

1.2 带通滤波电路设计

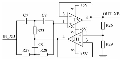
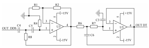
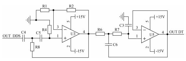
发送端发出0~0.6 V带高次谐波的正弦信号,接收端从MN电极接收带有不同频率干扰的信号,由于滤波器具有使信号中特定的频率成分通过,且极大的衰减其他频率成分(姚林杰等,2023)的特性,因此设计了由低通滤波器和高通滤波器串联组成的带通滤波器(付国红等,2013)用以滤除高次谐波、高频干扰和直流、低频干扰.
由于巴特沃斯型滤波器特征频率f0恰好等于截止频率fc,且具有最平坦的通带区间,而且由于参数唯一,设计方便,使用十分广泛.因此设计巴特沃斯型高、低通滤波器滤除带外干扰,图 4为带通滤波电路原理图.
图4 带通滤波电路原理图

Fig 4 Schematic diagram of bandpass filtering and amplification module

高通滤波电路传递函数标准表达式:
$\begin{equation*}A(\mathrm{j} \omega)=\frac{(\mathrm{j} \omega)^{2} R_{4} R_{8} C_{4} C_{5}}{1+\mathrm{j} \omega R_{4} R_{8} C_{4} C_{5}\left(\frac{1}{R_{4} C_{4}}+\frac{1}{R_{4} C_{5}}\right)+(\mathrm{j} \omega)^{2} R_{4} R_{8} C_{4} C_{5}}, \end{equation*}$
将标准式化为频率表达式为:
$\begin{equation*}A(\mathrm{j} \omega)=\frac{\left(\mathrm{j} \frac{\omega}{\omega_{0}}\right)^{2}}{1+\mathrm{j} \frac{\omega}{\omega_{0}} \times \frac{1}{Q}+\left(\mathrm{j} \frac{\omega}{\omega_{0}}\right)^{2}} . \end{equation*}$
据此有:
$\begin{equation*}f_{l}=\frac{1}{\sqrt{2} \times 2 \mathsf{π} R_{4} C_{4}} \approx 0.0053590 \mathrm{~Hz}, \end{equation*}$
可知下限截止频率小于频带内最低频率0.0078125 Hz,并且$Q=\sqrt{2} / 2$.同理可知低通滤波的截止频率为:
$\begin{equation*}f_{\mathrm{h}}=\frac{1}{\sqrt{2} \times 2 \mathsf{π} R_{6} C_{6}} \approx 2250.79 \mathrm{~Hz} ,\end{equation*}$
可知上限截止频率大于频带内最高频率1024 Hz,Q值与高通滤波相同.

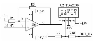
1.3 电流/电压输出电路设计

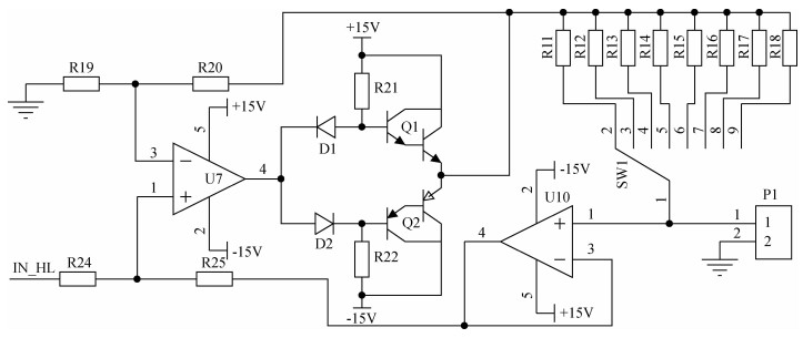
为了减少MCU的IO口使用,用自锁开关来切换电压输出或电流输出模式.电压输出模式为了保证输出功率,需对电压信号进行功率放大;电流输出模式通过HowLand电路将电压转换为电流,为满足大量程要求,设计了80 μA~400 mA八个可调节的档位,由于运算放大器的输出电流能力有限,所以在HowLand电路中额外增加了两个大功率的达林顿管扩流.图 5图 6分别为电压和电流输出电路原理图.
图5 电压输出电路原理图

Fig 5 Principle diagram of constant voltage circuit

图6 恒流电路原理图

Fig 6 Principle diagram of constant current circuit

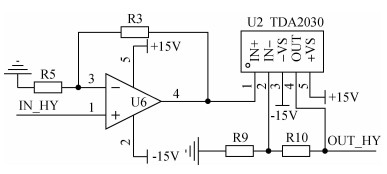
电压输出电路将输入信号放大以提高输出功率.本文采用TDA2030进行高保真功率放大,在负载阻抗较小的情况下,实测输出电压稳定,满足负载能力要求.
电流输出电路将电压转换为电流并进行扩流,保证最大输出电流能达到400 mA以上.其中两个达林顿管的型号分别为TIP142和TIP147,输出功率满足系统最大输出功率,两个电阻和二极管组成偏置电路,用于减小信号的交越失真.通过控制开关SW1选择电阻R11~R18之一接入到Howland电路回路中,从而控制输出电流的档位,其中在输出50 mA及更大电流时,由于普通贴片电阻的功率较低,需要选择大功率的电阻.通过计算可得:
$\begin{equation*}I_{\text {out }}=\frac{U_{\text {in }}}{R_{\mathrm{o}}} . \end{equation*}$
经过实验以及计算分析可知此电路的输出有一个限制条件:
$\begin{equation*}U_{\text {in }}+I_{\text {out }} \times R_{\mathrm{L}} \leqslant 30, \end{equation*}$
设计中Uin的选择太小会增大输出电流的误差,太大则导致输出电流能在负载上产生的电压较低,减小了同档位下对负载阻抗的测量范围.综合考虑设计Uin为3 V,而且由于在扩流电路中用于减小交越失真的两个二极管上的压降约为1.4 V,因此输出电流IOUT在负载上产生的电压最大不能超过25.6 V,否则信号会产生失真.

1.4 陷波/直通模块设计

在我国,50 Hz工频干扰为实际测量中常见强干扰因素(黄丹等,2011),为此设计了工频陷波电路滤除信号中携带的工频成分,用模拟开关实现陷波/直通两种模式的切换,在工频干扰较强时陷波,较弱时关掉陷波功能.双T陷波器由于其具有基本上不改变平坦区增益和相位、Q(品质因素)值的设计比较灵活、不具有中途受限现象等优点,故设计中采用了双T陷波器来滤除50 Hz工频干扰.图 7为陷波电路原理图.
图7 陷波电路原理图

Fig 7 Notch circuit schematic

经过计算,其频率表达式为:
$\begin{equation*}A(\mathrm{j} \omega)=\frac{1+\left(\mathrm{j} \frac{\omega}{\omega_{\mathrm{o}}}\right)^{2}}{1+4 \mathrm{j} \frac{\omega}{\omega_{0}}(1-k)+\left(\mathrm{j} \frac{\omega}{\omega_{\mathrm{o}}}\right)^{2}}, \end{equation*}$
由此可知:
$\begin{equation*}f_{0}=\frac{1}{2 \mathsf{π} R C}, \end{equation*}$
并且$A_{\mathrm{m}}=1, ~ Q=1 / 4(1-k)$,其中$k=R_{26} / R_{26}+R_{29}$,因此可以通过改变两个电阻的比值来改变陷波深度.图 8为该陷波器选取不同Q值时仿真得到的幅频响应曲线.
图8 不同Q值工频陷波器幅频曲线

Fig 8 Amplitude frequency curves of power frequency notch filters with different Q values

陷波电路的引入会对50 Hz附近频点32 Hz、64 Hz的频率响应产生影响,由图可知,在Q=1.5时,陷波效果最佳,但是对50 Hz附近频点的衰减也比较严重.在Q=10时,对50 Hz附近频点的衰减最小,但陷波效果较差.因此综合考虑,选择Q=5时,对工频干扰的滤除效果较好,对附近频点的影响也较小.

2 室内实验

在对仪器样机进行调试之后,进行了室内验证性实验.以如图 9阻容网络模型作为负载,分别进行电压输出模式和电流输出模式各个档位的校正实验,以及用同一档位的电流测量不同时间常数阻容网络的对比实验等.通过选择电压或者电流输出模式,设定单频测量或扫频测量,同时测量幅频和相频参数.
图9 阻容网络模型示意图

Fig 9 Schematic diagram of resistance capacitance network model

2.1 校正实验

由于元件精度、输入输出回路的分布参数、滤波器的频率响应造成理论值与测量值存在误差,以电流输出80 μA为例,R1=R4=100 Ω,R2=R3=37.4 kΩ,C1=4.4 μf,通过比较理论值和测量值得到校正系数,图 10为系统进行校正前后的测量值与理论值的比较,表 1为校正后各频点相对误差.
图10 校正前后幅频图(a)和相频图(b)

Fig 10 Before and after calibration, amplitude frequency plots (a) and phase frequency plots (b)

表1 校正后各频点测量值相对误差

Table 1 Relative error of measured values at each frequency point after calibration

测量频率2n/Hz 理论值/Ω 测量值/Ω 相对误差/‰
-7 37396 37398 0.05
-6 37385 37398 0.34
-5 37342 37349 0.20
-4 37169 37167 0.04
-3 36511 36521 0.26
-2 34315 34305 0.29
-1 29270 29278 0.30
0 23420 23426 0.26
1 20190 20177 0.64
2 19100 19120 1.00
3 18802 18817 0.81
4 18726 18730 0.24
5 18706 18715 0.48
6 18702 18708 0.36
7 18700 18702 0.10
8 18700 18706 0.30
9 18700 18702 0.11
10 18700 18675 1.30
通过计算各个模式和档位在校正之后的测量值与理论值在2-7~210之间各频点的最大相对误差不超过1.3‰.

2.2 对比实验

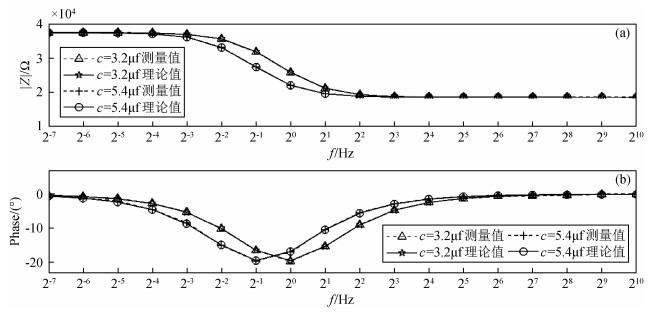
以阻容模型来模拟岩矿石标本的测量中,通常以改变阻容模型的时间常数来反应岩矿石标本内部的不同结构.参照图 9,取R1=R4=100 Ω,R2=R3=37.4 kΩ,选取不同电容值的1%精密电容,测得的幅频和相频特性图如图 11所示.
图11 不同阻容网络模型理论值与测量值对比幅频图(a)和相频图(b)

Fig 11 Comparison of theoretical and measured values of different resistance capacitance network models in amplitude frequency plots (a) and phase frequency plots (b)

由图可知不同电容情况下,其理论值与测量值曲线基本重合,验证了上节对系统进行校正的准确性,根据公式τ=RC可以计算3.2 μf电容组成的阻容模型的时间常数约为0.12 s,5.4 μf电容组成的网络模型的时间常数约为0.2 s,根据相关理论可知阻容网络模型时间常数改变并不会改变曲线的形态,只会使幅频曲线和相频曲线向左或向右平移,与图中测量结果一致.

3 室外观测实验

为了验证观测装置的性能与稳定性,选择已知第四纪覆盖区域进行实验,装置几何尺寸为AB=3 m,MN=1 m.在AB电极选择并发送大小合适的电流,采用取样电阻+电流采集+ADC的电路设计进行电流信号采集;对MN电极接收信号采用前置放大+信号调理+ADC的电路设计进行电压信号采集,并在微处理器中通过对采集的电流信号和电压信号进行处理得到AB电极发送电流IMN电极接收电压U, 根据式(9)计算视电阻率值,式中k为装置系数;进一步进行数字相敏检波,得到MN电极接收信号与AB电极发送信号相位差.改变频率,重复以上过程即可得到各频点处的视电阻率值及相位差.式(9)为:
$\begin{equation*}\rho=k \times U / I . \end{equation*}$
图 12中虚线为第一次以电流输出模式10 mA电流作为激励源时的观测数据,实线为24 h后第二次观测数据,表 2为两次测量MN端接收电压的误差值表,经过计算均方根误差值为0.11%,符合测量要求.
图12 检查点一致性对比幅频图(a)和相频图(b)

Fig 12 Checkpoint consistency comparison amplitude frequency plot (a) and phase frequency plot (b)

表2 各频点观测值及误差

Table 2 Observations and errors at each frequency point

频率2n/Hz 第一次观测 电压值/V 第二次观测 电压值/V 误差
-7 0.1216 0.1208 0.0008
-6 0.1179 0.1209 0.0030
-5 0.1187 0.1175 0.0012
-4 0.1173 0.1165 0.0008
-3 0.1168 0.1154 0.0014
-2 0.1146 0.1156 0.0010
-1 0.1158 0.1148 0.0010
0 0.1140 0.1140 0
1 0.1133 0.1130 0.0003
2 0.1135 0.1129 0.0006
3 0.1115 0.1125 0.0010
4 0.1112 0.1108 0.0004
5 0.1096 0.1108 0.0012
6 0.1108 0.1108 0
7 0.1077 0.1064 0.0013
8 0.1040 0.1043 0.0003
9 0.1062 0.1059 0.0003
10 0.1058 0.1048 0.0010
在保证测量装置功能及稳定性的基础上,进一步进行了电阻率法测深实验.在每一个测深点上,需要用一系列的电极距进行观测,在AB极距从小到大递增的同时为了保证MN端接收信号的强度,需要同时增加MN极距,并且通常条件下需要满足条件MN≤1/3AB,实际测深过程中ABMN端的距离如表 3所示,其中ρ为频率为0.0078125 Hz时计算得到的的视电阻率值.
表3 观测装置参数及视电阻率

Table 3 Observation device coefficient and apparent resistivity

AB/m 3 4 6 9 12 18 24
MN/m 1 1 2 3 4 6 8
ρ/(Ω·m) 79.80 80.11 82.94 109.33 123.15 207.34 301.59
由表可知AB=3 m、4 m、6 m时视电阻率值无明显变化,推测为第四系覆盖层;当AB=9 m时,视电阻率明显增大,且随着AB极距的增加,视电阻率值呈单调上升,呈G型形态曲线,系二层地电断面形态.与实验场地下伏板岩、灰岩岩体,覆盖层为第四系地质条件吻合.
当对称四极装置下在AB=6 m、AB=9 m时地层电阻率发生明显变化的同时,在不同AB极距条件下地层/岩体的频谱参数同样发生变化,如图 13所示,可以明显地看到:AB=6 m时,在不同频率信号激励下曲线无显著变化,低频段平稳,在4~128 Hz区间内曲线缓慢下降,128~1024 Hz区间内无显著变化;AB=9 m时,曲线明显地出现随频率变化而变化,0.03125~4 Hz内出现区域极小值,随频率升高,曲线又出现上升趋势与急剧下降.表明2个不同深度内的地下介质已发生变化.
图13 AB为6 m时的频谱图(a)和9 m时的频谱图(b)

Fig 13 The spectrum (a) at a pole distance of 6 m and the spectrum (b) at a pole distance of 9 m for AB

4 结论

针对野外地层频谱测量需求,设计了一款在2-7~210 Hz区间内,以2为底、-7~10为指数的共18个频点的测量装置,在进行室内RC网络实验和校准的基础上开展了野外验证性实验,实验证明了该装置能够获取地层露头的电性频谱参数信息,对地质工作中的异常点进行进一步的排查和研究,为地球物理勘探工作提供方法选择、数据处理及地质解释等.下一步的工作重点:
(1) 频点较为稀疏,因此可以在整个频段内对频点进行1.5倍频加密,以获得更丰富的频谱信息.
(2) 进一步优化发送电路,提高发送电压,增大发送电流,提高观测信号的信噪比和观测精度.

感谢审稿专家提出的修改意见和编辑部的大力支持!

Chun S H , Chen R J , Chen X S , et al. Development of signal generator for portable electrical impedance analyzer for rock and ore specimens. Progress in Geophysics, 2024, 39 (1): 391- 402.

DOI

Fu G H , Tian B , Cheng H , et al. Optimized design of band-pass filter in underwater metal pipe buried depth finder. Progress in Geophysics, 2013, 28 (5): 2753- 2758.

DOI

Guo Y M . Application research of DC resistivity method in water resource exploration. Science and Technology of West China, 2012, 11 (5): 24- 25.

He J S . Dual Frequency Induced Polarization Method. Beijing: Higher Education Press, 2006

He L F. 2014. Petro-electricity and its origin: examples from Luobusha ultramafic rock and Upper Yangtze black shale[Ph. D. thesis](in Chinese). Nanjing: Nanjing University.

Hou L. 2018. Research on measurement technology of rock core electrical spectrum of Mixing signals[Master's thesis](in Chinese). Beijing: China University of Petroleum (Beijing).

Huang D , Pei J , Jiang Q Y . Optimized design of twin-T notch filter in wide field electromagnetometer. Geophysical & Geochemical Exploration, 2011, 35 (5): 626- 629.

Huang H R , Wen F , Jia X Z . Design of high-precision DDS signal generator based on FPGA. Microcontrollers & Embedded Systems, 2022, 22 (12): 75- 79.

Huang L S , Jing R Z , Zhang S Y , et al. Study of the complex resistivity of rocks and ores model. Progress in Geophysics, 2014, 29 (6): 2657- 2664.

DOI

Pelton W H. 1977. Interpretation of induced polarization and resistivity data[Ph. D. thesis]. Salt Lake City: University of Utah.

Tong M S , Li L , Wang W N , et al. Experimental study on complex resistivity of shaly sands. Well Logging Technology, 2005, 29 (3): 188- 190.

Yao L J , Wang Y B , Jiang W . Optimization design and simulation of butterworth high pass filter. Mechanical & Electrical Engineering Technology, 2023, 52 (2): 292- 296.

Zhang S Z , Zhou J P , Li Y X , et al. Frequency Spectrum Induced Polarization Characteristics, Structural Structure, and Conductive Mineral Composition of Rocks (Minerals). Beijing: Science and Technology of China Press, 1994

Zheng H H , Feng Q N , Shang Z Y . Complex resistance measuring system of rock sample under high temperature and high pressure. Well Logging Technology, 1996, 20 (4): 277- 281.

少恒 , 儒军 , 兴生 , 等. 便携式岩矿石样本电性测量仪信号发生器研制. 地球物理学进展, 2024, 39 (1): 391- 402.

DOI

国红 , , , 等. 水下金属管线埋深探测仪带通滤波器的优化设计. 地球物理学进展, 2013, 28 (5): 2753- 2758.

DOI

延明 . 直流电阻率法在水资源勘查中的应用研究. 中国西部科技, 2012, 11 (5): 24- 25.

继善 . 双频激电法. 北京: 高等教育出版社, 2006

何兰芳. 2014. 罗布莎超基性岩与上扬子黑色页岩岩石电磁学[博士论文]. 南京: 南京大学.

侯亮. 2018. 混频信号岩心电频谱测量技术研究[硕士论文]. 北京: 中国石油大学(北京).

, , 奇云 . 广域电磁仪中的双T陷波器的优化设计. 物探与化探, 2011, 35 (5): 626- 629.

浩然 , , 兴中 . FPGA的高精度DDS信号发生器设计. 单片机与嵌入式系统应用, 2022, 22 (12): 75- 79.

理善 , 荣中 , 胜业 , 等. 岩矿石模型的复电阻率研究. 地球物理学进展, 2014, 29 (6): 2657- 2664.

DOI

茂松 , , 伟男 , 等. 泥质砂岩的复电阻率实验研究. 测井技术, 2005, 29 (3): 188- 190.

林杰 , 耀斌 , . 巴特沃斯高通滤波器的优化设计与仿真实现. 机电工程技术, 2023, 52 (2): 292- 296.

赛珍 , 季平 , 英贤 , 等. 岩(矿)石频谱激电特征与结构构造和导电矿物成分. 北京: 中国科学技术出版社, 1994

和华 , 启宁 , 作源 . 模拟地层高温高压条件的岩样复电阻测量系统. 测井技术, 1996, 20 (4): 277- 281.

Outlines

/